Type some words to find content.
eg: fuse, arrestor, 00110115 technical, MCCB...
Recent searches
Tehnical support
This email address is being protected from spambots. You need JavaScript enabled to view it.

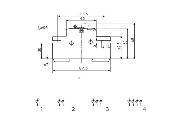
Build-in switch SV 163 1p 63A 002423114

Specifications

ETI Code:
002423114
Description:
SV 163 1p 63A
Class name:
Build-in switch
Function:
Build-in switch
Rated current (A):
63

Documents

Product

EAN code for a single product
3838895406402  
Net weight of the product
0.08  kg
Customs tariff
85365080  
logis_net_width
18  mm
logis_net_height
90  mm
logis_net_depth
72  mm

Basic packaging

Basic packaging quantity
12  
EAN code for a basic packaging
3838895027188  
Basic packaging weight
1.08  kg

Transport packaging

Transport packaging quantity
108  
EAN code for a transport packaging
3838895164173  
Transport packaging weight
10.1  kg
Pallet quantity
5616  
Classification
EC000216
Class name
Switch disconnector
Version as main switch
Yes
Version as maintenance-/service switch
Yes
Version as safety switch
Yes
Version as emergency stop installation
Yes
Max. rated operation voltage Ue AC
230V
Rated permanent current Iu
16A
Conditioned rated short-circuit current Iq
4kA
Number of poles
1
Motor drive optional
No
Motor drive integrated
No
Device construction
Built-in device fixed built-in technique
Suitable for distribution board installation
Yes
Type of control element
Rocker lever
Interlockable
No
Type of electrical connection of main circuit
Frame clamp
Degree of protection (IP), front side
IP20
ETIM Classification – Version 7.0

Images & Diagrams

Software & drivers

Software is provided as is without any guarantees or warranty. The author is under no obligation to provide support, service, corrections, or upgrades to the free software programs or drivers.

Accessories 31

>
>
0
Your basket is empty.