Type some words to find content.
eg: fuse, arrestor, 00110115 technical, MCCB...
Recent searches
Tehnical support
This email address is being protected from spambots. You need JavaScript enabled to view it.

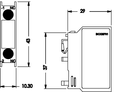
Aux.contacts BCXMFRE 01 (1NC) 004643510

Specifications

ETI Code:
004643510
Description:
BCXMFRE 01 (1NC)
Class name:
Aux.contacts
Function:
Accessories
Function accessories:
Auxiliary contact blocks-front mounted

Documents

Product

Net weight of the product
0.015  kg
Customs tariff
85365080  
logis_net_width
11  mm
logis_net_height
43  mm
logis_net_depth
33  mm

Basic packaging

Basic packaging quantity
1  
EAN code for a basic packaging
7890355110430  
Basic packaging weight
0.015  kg

Transport packaging

Transport packaging quantity
25  
EAN code for a transport packaging
17890355110437  
Transport packaging weight
0.375  kg
Pallet quantity
4000  
Classification
EC000041
Class name
Auxiliary contact block
Number of contacts as normally closed contact
1
Rated operation current Ie at AC-15, 230 V
6A
Type of electric connection
Screw connection
Mounting method
Front fastening
ETIM Classification – Version 7.0

Images & Diagrams

Software & drivers

Software is provided as is without any guarantees or warranty. The author is under no obligation to provide support, service, corrections, or upgrades to the free software programs or drivers.

Accessories 98

>
>
0
Your basket is empty.