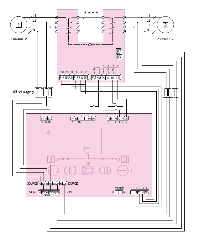
Controller ATSC25 004661922
Specifications
- ETI Code:
- 004661922
- Description:
- ATSC25
- Class name:
- Controller
- Communication interface:
- RS485
- Function:
- Controller ABP
- Mounting:
- TH-35 and Door
- Voltage measurement range:
- 50 - 520 V AC
- Frequency measurement range (Hz):
- 45 - 65
- Supply voltage (V):
- 230 V AC
Documents
Logistic Data
Product
- Customs tariff
- 85371098
- logis_net_width
- 147 mm
- logis_net_height
- 112 mm
- logis_net_depth
- 106 mm
Basic packaging
- Basic packaging quantity
- 1
- EAN code for a basic packaging
- 3838895875864
- Basic packaging weight
- 1 kg
Transport packaging
- Transport packaging quantity
- 8
- EAN code for a transport packaging
- 3838895875871
- Transport packaging weight
- 8 kg
- Pallet quantity
- 304
Images & Diagrams
Software & drivers
