Type some words to find content.
eg: fuse, arrestor, 00110115 technical, MCCB...
Recent searches
Tehnical support
This email address is being protected from spambots. You need JavaScript enabled to view it.

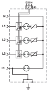
Surge arrester ETITEC ZPS T12 300/7,5 3+1 RC 002440597

Specifications

ETI Code:
002440597
Description:
ETITEC ZPS T12 300/7,5 3+1 RC
Class name:
Surge arrester
Network system:
TT
AC max continous operating voltage Uc:
300V
Usage (IEC/VDE):
I, II, III
Type:
T1, T2, T3
Short circuit capacity (kA):
25kA
Catalogue Group:
ETITEC ZPS T12
Max. discharge current Imax, 8/20 (kA):
50kA/100kA
Remote signalisation:
YES
In 8/20 (kA):
20kA
Installation:
Home and residental building protection

Documents

Product

Net weight of the product
0.75  kg
Customs tariff
85363090  

Basic packaging

Basic packaging quantity
1  
EAN code for a basic packaging
3838895896579  
Basic packaging weight
0.825  kg

Transport packaging

Transport packaging quantity
18  
EAN code for a transport packaging
3838895896586  
Transport packaging weight
16.335  kg
Pallet quantity
324  

Images & Diagrams

Your basket is empty.